SD-BD-04-03/Rev.10/27-02-69

AUTOMATIC TRANSFER SWITCH
TRANSFER SWITCH (OPEN TRANSITION)
ATS Open 800A
OTTS_2

DESCRIPTION

The OTTS (AS-I series) open-transition transfer switch is designed for AC and DC power systems. Rated voltage: up to 690 VAC or 250 VDC. Rated current: 100 A to 800 A. In case of main power failure, the load is automatically transferred to the standby source. Conforms to IEC 60947.

FEATURES

OTTS_Features-

SPECIFICATION

OTTS_Spec 100A-500A
OTTS_Spec

DIMENSION

OTTS_Dimension
OTTS_Dimension2
OTTS_Dimension3

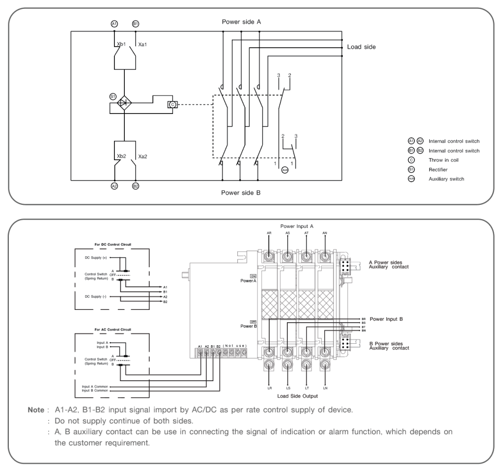
CONNECTION DIAGRAM

OTTS_Wiring diagram -2
OTTS_Wiring diagram -1

PRODUCT CODING

OTTS_Code
ESPTECHNOLOGIES